2021-07-27
一、守護好模具從產品設計開始
1. 避免尖角
鋼材在熱處理或壓鑄生產的時候,具有截面急劇變化的工件或者有尖銳槽口的工件、都易于產生裂紋。所以,在產品設計的初期,就要認真考慮如何避免或減少應力的產生。
例一


由于產品形狀造成模具結構的的單薄和尖角,導致模具過早出現刮手(龜裂)與開裂的情況。
2. 在滿足功能使用的前提下,盡量為料液的填充提供方便
例二

3.在滿足功能使用的前提下,盡量做到壁厚均勻
例三

產品開發,既要考慮滿足功能方面的要求,更要兼顧模具制造與壓鑄生產的需求。否則,經歷了千辛萬苦的批量生產不能順利進行。損失的,可不只是供應商!
二、嚴謹的設計是守護好模具的必要條件
1.要以數據“說話”
如果光憑感覺或經驗來確定內澆口的面積,就會造成模具溫度的超高。所以,從直流道開始,到內澆口、排渣、排氣等,都應該圍繞著產品來以數據“說話”。
例四

一模兩腔。沒有根據產品特點來確定內澆口面積,和根據填充要求來布置流道。使得現狀是,料液先填滿下方,再回填上方。由于內澆口面積小,流量不夠。所以,造成上方的冷紋或氣孔。
2. 關注“流態”同樣重要
初步計算的數據是保證填充時流量的足夠。流態的掌握,則是保證避免出現壓鑄缺陷。使排溢系統的功效得以最大的發揮。
(1)掌握“流態”可以盡量避免壓鑄缺陷的產生
例五


要消除渦流所產生的冷隔,就必須提高填充速度。因此,也必然要吞下過早出現沖蝕或龜裂的惡果。
例六



由于料液填充到中部時,被迫往兩側跑(如箭頭所示),則上端的填充就很難控制了。

如果以黃線為界,分別設計填充的流道,然后再加以統籌、協調。則流態的控制就比較容易。
(2)掌握“流態”可以避免模具溫度的飆升
根據產品的結構特點來設計流道,把握好填充的流向、流態和流速。就能把渣包、氣槽的位置都設在匯交或最后填充的地方,排泄就會順暢。讓填充時的阻力降到最低,降低能耗。不用通過不斷提高壓力和速度就可取得合格的產品。減少熱量的產生。
3. 溫度的控制“方法”不容忽視
材料的熱強度隨溫度的升高而降低,到了臨界值,更是急劇下降。
生產中,溫度升高主要來源于壓鑄液體的熱量及填充動能轉變成的熱能。所以,料液溫度過高和填充速度過快,都會引起型腔表面的熱強度降低。從而加快了材料的沖蝕、粘模、龜裂等讓模具失效的狀況出現。因此,在保證壓鑄產品質量的前提下,盡量讓模具工作在相對低溫的環境下,是延長其壽命的有效方法。
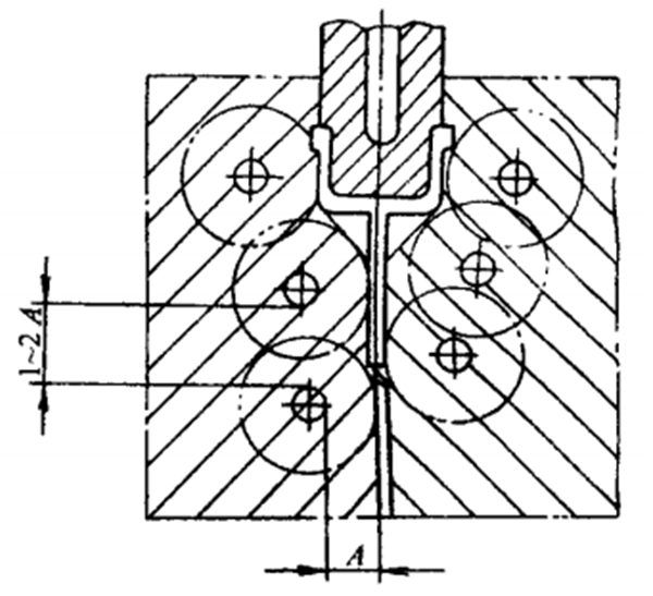
(1)運水冷卻的特點
由于鋼材具有距離熱源A=25mm之內是高溫區(即溫度隨著熱量的吸收而不斷地升高),25mm以外就會在達到某一溫度值之后趨于穩定(即達到某一溫度后的數值基本不變)的特點。所以,運水孔應該布置在距離型位20-30mm的地方。
同理,運水孔的距離應該保持在60-70mm。這樣,才能既保證各自最大的作用范圍,又可以保證互相連接,沒有空位。否則,就會出現熱節,造成此處模具溫度的超高。

(2)運水冷卻的主要作用
運水的主要作用是把料液傳給模具的熱量帶走,讓模具型腔表面的溫度保持在合理的范圍。其目的是:
a. 不讓傳給模具的熱量積聚過多。否則,就有因為超出了材料的耐熱強度極限而過早出現開裂、龜裂、沖蝕、腐蝕、等現象,直接影響模具的壽命。
b. 因為一般脫模劑的最佳適用模溫范圍是250—300℃(這是設計其化學成分時就設定了的)。所以,用噴涂作為主要的降溫手段是不科學的。不但會過早引起龜裂,而且還會大大降低脫模劑的效果,影響產品頂出。
c. 保證抽芯機構的運作順暢。
下圖表以抽芯配合等級H7/d8為例

滑塊與導滑槽的間隙會隨溫差(滑塊溫度減到滑槽溫度)的增大而減小。到了一定值就會完全沒有了間隙。造成滑塊卡住,不能正常生產。所以,不但模仁、鑲塊、分流錐、澆口套要做冷卻運水孔?;瑝K抽芯也應該做。而且還有防止縮孔的作用。
壓鑄工藝可調節的參數只有壓力、速度、溫度。所以,能作為的空間有限。澆注系統存在的缺陷,很難通過調節參數來完全彌補。因此,在模具設計階段就要全面考慮包括結構強度、加工工藝、壓鑄生產等各方面可能出現的問題及其應對的措施。尤其是在滿足壓鑄生產工藝要求的澆注和冷卻系統方面的設計更要特別謹慎。盡量給批量生產一個合理的操作空間。千萬不要“模具是我做的,打不出產品是壓鑄工的事”!
三、極端負責的態度是壓鑄生產中守護好模具的保證
模具沒有預熱就直接打高速;就算有運水孔,因為覺得噴涂同樣可以起到冷卻的作用。于是,就把噴涂作為模具冷卻的主要手段等等。這些“野蠻”的操作行為,在中、小型的壓鑄企業中普遍存在。
沒有對保證模具正常使用的“正確操作”的充分認識并加以高度重視是主要的原因。其后果必然會嚴重影響模具的壽命。這是一種極其不負責任的做法!不但會造成自己、客戶、供應商都要面臨承受巨大損失的危險。而且,還會極大地制約著壓鑄行業的健康發展。所以,以“極端負責”的態度,注意工作中的每一個細節,是模具“健康”“長壽”保證。
綜 述
產品開發、模具設計與制造、壓鑄生產都是“模具命運共同體”中最重要的成員。誰想要有“錢”圖,都必須互相理解、支持、幫助,共同守護好我們的模具。“同舟”必須“共濟”!

服務熱線|0757-23322638
地址|廣東省佛山市順德區陳村鎮石洲工業區32號